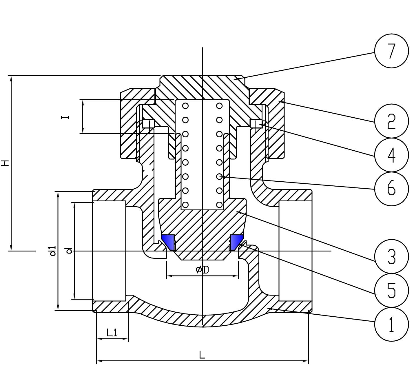
Lift Type for Cryogenic Liquid print
NS_200B
BC Cryogenic Globe Valve
Design pressure : 3.0Mpa
Design temperature : -196℃~75℃
Kind of fluid : LN₂, LO₂, LAr, LCO₂, LNG, LC₂H₄
Hydrostatic test pressure : 4.5 Mpa
Pneumatic test pressure : 3.3 Mpa
“BC Cryogenic Lift Check Valve” is designed to provide positive shutoff of cryogenic gas systems.
This valve is used extensively in bulk storage tanks, portable liquid cylinders and pipelines for LO₂, LN₂, LAr and LNG.”
NS200b Ordering information
NS200b Ordering information
| Model No. | SIZE | ØD | d | d1 | L | L1 | I | H | Cv |
|---|---|---|---|---|---|---|---|---|---|
| NS200b-15A | 1/2″(15A) | 15 | 21.9 | 30 | 62 | 9 | 10 | 53 | 2.9 |
| NS200b-20A | 3/4″(20A) | 20 | 27.4 | 36.8 | 70 | 11 | 12 | 62 | 6.1 |
| NS200b-25A | 1″(25A) | 25 | 34.2 | 44 | 76 | 12 | 13.5 | 67 | 9.3 |
| NS200b-40A | 11/2″(40A) | 40 | 48.8 | 62 | 110 | 14 | 22 | 267 | 22.0 |
| NS200b-50A | 2″(50A) | 50 | 61.0 | 74 | 130 | 15 | 25 | 275 | 38.0 |
Valves are manufactured by patented technology.


